Fiable et compact, le Teltonika Rut951 offre une connexion Internet stable là où d'autres routeurs peinent à rester en ligne.

Le routeur Teltonika Rut951 est plus pratique qu'élégant. Le boîtier est en métal, il peut donc supporter la poussière et les chocs légers sans faillir. La taille est plus petite, ce qui est important lorsque l'espace à l'intérieur d'un rack, d'une armoire ou d'un véhicule est déjà surchargé.
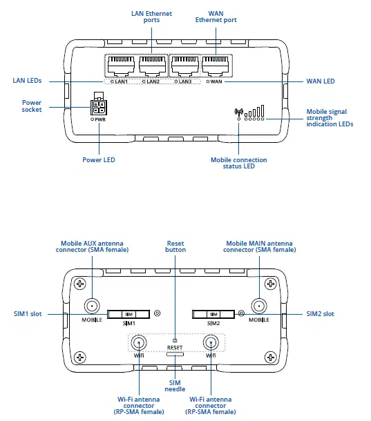
L'installation ne prend pas beaucoup de temps. Les ports d'antenne sont placés de manière à ce que vous puissiez les atteindre sans difficulté. Les emplacements SIM s'ouvrent facilement et les voyants d'état sont suffisamment clairs pour être lus d'un seul coup d'œil. Lors de nos vérifications de routeurs LTE industriels, cela nous a permis de gagner du temps, tant pour les déploiements de test que pour les projets de plus longue durée.
Il n'a pas besoin de ventilateurs ni de refroidissement supplémentaire. L'unité reste silencieuse et stable par elle-même. Dans les usines, à l'intérieur des kiosques ou dans les véhicules, il fonctionne sans qu'on y prête attention.
Dans notre test de routeur 4G industriel, le Teltonika Rut951 a fait preuve d'un débit stable et d'une latence constante. Il prend en charge le LTE Cat 4, qui offre des vitesses de téléchargement jusqu'à 150 Mbps et des vitesses de chargement jusqu'à 50 Mbps. Bien qu'il ne soit pas aussi élevé que les modèles LTE Cat 6 ou 12, ce débit est suffisant pour la plupart des applications IoT, de surveillance et de contrôle.
Le routeur Teltonika Rut951 maintient la fiabilité du réseau même dans les zones cellulaires encombrées. Le basculement entre les connexions mobiles et filaires a fonctionné sans interruption prolongée. Lors des tests de stress, il est resté connecté pendant de longues périodes sans chute, ce qui le rend adapté aux opérations où les temps d'arrêt sont coûteux.
La compatibilité multi-réseaux est un avantage indéniable. Le routeur fonctionne avec les principaux opérateurs de téléphonie mobile dans toutes les régions, de sorte que les projets peuvent évoluer sans être liés à un seul fournisseur. Pour les entreprises qui gèrent des flottes ou des unités distantes, cette flexibilité est importante.
Lors des contrôles de performance en conditions réelles, le routeur a été conforme à ses spécifications techniques. La latence est restée dans des fourchettes acceptables pour les systèmes de surveillance et de contrôle à distance, même lorsqu'ils sont connectés via des réseaux mobiles. Cela fait du routeur cellulaire pour l'IdO un outil de confiance pour les industries où la réactivité est importante.

Comprendre les réseaux IdO est essentiel pour comprendre comment les appareils interagissent et communiquent dans notre monde moderne en constante évolution.
Notre avis sur le Teltonika Rut951 met en évidence un routeur qui offre un ensemble clair de fonctions. Un port WAN et trois ports LAN gèrent les liaisons filaires. Le Wi-Fi fonctionne selon la norme 802.11b/g/n, offrant un accès local de base où les câbles ne sont pas nécessaires.
Le modem fonctionne en LTE Cat 4 avec des vitesses allant jusqu'à 150 Mbps. Lorsque le signal faiblit, il passe à la 3G ou même à la 2G. Deux emplacements SIM offrent une autre couche de sauvegarde, de sorte que la connexion peut passer d'un opérateur à l'autre.
Les outils de sécurité sont inclus. Pare-feu, DNS dynamique, transfert de port. Plusieurs types de VPN comme OpenVPN, IPsec, GRE, L2TPv3 et L2TP sont pris en charge. Un choix suffisant pour la plupart des configurations.
Le RMS fait partie du système. Il permet de contrôler et de mettre à jour le routeur industriel LTE à distance. Les besoins en énergie sont faibles : moins de 2 W en mode veille et moins de 7 W en mode poussé. Le boîtier est compact, 110 x 50 x 100 mm, et pèse 287 g. Cette seule caractéristique est souvent la raison pour laquelle les entreprises choisissent le routeur Teltonika Rut951 pour les tâches critiques.
Le Teltonika Rut951 n'est pas lié à un seul secteur d'activité. Il apparaît dans différentes revues de routeurs 4G industriels, souvent pour sa capacité à fonctionner dans des conditions mixtes. Les entreprises de transport l'utilisent, mais aussi les magasins, les usines et même les petits sites énergétiques.
Suivi de la flotte : Dans les véhicules, le routeur assure la liaison avec le GPS et les systèmes de commande à distance. Certains opérateurs l'utilisent également pour le Wi-Fi des passagers, bien que la priorité soit donnée aux données régulières pour le suivi.
Signalisation numérique : Les panneaux publicitaires et d'affichage doivent être mis à jour à temps. Le routeur cellulaire pour l'IdO les connecte au serveur de contrôle afin que le nouveau contenu apparaisse sans délai.
Fabrication : Dans les ateliers de production, les machines et les capteurs restent connectés grâce au routeur. Cela permet au personnel de détecter rapidement les problèmes et d'éviter les arrêts de production.
Kiosques de vente au détail : Les distributeurs de billets, les guichets automatiques ou les distributeurs automatiques se trouvent souvent dans des endroits où il n'y a pas d'Internet fixe. Le routeur compact s'insère à l'intérieur et permet aux paiements de continuer à circuler.
Surveillance à distance : Les stations énergétiques, les pompes à eau ou les postes de sécurité en dépendent lorsque l'internet câblé n'est pas une option. Le routeur Teltonika Rut951 offre une connexion mobile à laquelle les opérateurs peuvent faire confiance.
Ces cas sont de taille et de portée différentes, mais ils montrent tous comment le routeur peut s'intégrer et faire son travail sans trop se faire remarquer.
Vitesse
150 Mbps / 50 Mbps
Ports LAN
3 x Port LAN
Ports WAN
1 x Port WAN
Machines à sous
2 x emplacement SIM
Modem cellulaire
(4G LTE Cat. 4)
WIFI
WIFI 4 (11n)
L'examen du Teltonika Rut951 ne serait pas complet si nous ne parlions pas de son prix. Il se situe au-dessus des modèles d'entrée de gamme comme le RUT200 ou le RUT240, mais en dessous des appareils avancés comme la série RUTX.
Ce prix plus élevé reflète une durabilité accrue, une prise en charge plus large des fonctionnalités et la flexibilité nécessaire pour gérer des déploiements simples et complexes. Bien qu'il ne soit pas le moins cher des routeurs cellulaires pour l'IdO, il est compétitif sur l'ensemble du cycle de vie. La durée de vie et la réduction des temps d'arrêt contribuent à réduire le coût total de possession.
Lorsque l'on compare les alternatives, les routeurs grand public moins chers peuvent permettre d'économiser de l'argent au départ, mais ils tombent souvent en panne dans des conditions exigeantes. En revanche, le routeur Teltonika Rut951 est conçu pour les environnements où la fiabilité s'avère payante au fil du temps. En termes de retour sur investissement, il équilibre le coût avec des performances fiables, ce qui en fait l'un des meilleurs routeurs IoT de sa gamme.
Dans cet article sur les routeurs 4G industriels, le Teltonika RUT951 s'avère être un choix fiable pour les entreprises qui ont besoin de l'Internet mobile pour fonctionner sans problème. Ce n'est pas le routeur le moins cher, mais sa durabilité et ses fonctionnalités le placent au-dessus de nombreux routeurs bon marché.
Pour les intégrateurs ou les équipes qui gèrent des flottes, des kiosques ou des systèmes d'usine, ce modèle offre moins de surprises au fil du temps. Les équipements moins chers peuvent fonctionner pendant un certain temps, mais ils durent rarement. Le routeur Teltonika Rut951 se distingue par le fait qu'il continue à faire son travail dans des endroits où les temps d'arrêt coûtent cher.
Notre conclusion : Chez Simbase, nous recommandons d'associer le routeur Teltonika Rut951 à nos services de connectivité pour en maximiser la valeur. Lorsqu'il est associé à des services gérés de Cartes SIM IoT et le suivi, les projets gagnent à la fois en Matériel IoT et la stabilité du réseau nécessaire à une réussite à long terme. Cette combinaison permet de transformer un routeur fiable en une solution IoT complète.
Characteristics
Diagram
| Interface WAN | 1x port WAN |
| Interface LAN | 3x ports LAN |
| Wi-Fi | IEEE 802.11b/g/n |
| SIM | 2 emplacements SIM |
| USB | Non |
| Transfert de données | 4G (LTE) - Cat 4 jusqu'à 150 Mbps, 3G - Jusqu'à 42 Mbps, 2G - Jusqu'à 236,8 kbps |
| Connectivité | 4G LTE, 3G, 2G |
| Interface de mise en réseau | Pare-feu, DNS dynamique et support pour le transfert de port |
| Interface de sécurité | OpenVPN, IPSec, GRE, L2TPv3, L2TP |
| Interface de gestion | Système de gestion à distance Teltonika (RMS) |
| Puissance Plage de tension d'entrée | 9 - 30 VDC, protection contre l'inversion de polarité ; protection contre les surtensions >31 VDC 10us max |
| Consommation électrique | < 2 W au repos, < 7 W au maximum |
| Antennes | 2 x SMA pour LTE, 2 x RP-SMA pour les connecteurs d'antenne WiFi |
| Dimensions | 110 x 50 x 100 mm |
| Poids | 287 g |
| Garantie | Garantie limitée de 2 ans |
| Contenu de l'emballage | Routeur Teltonika RUT951 2 antennes LTE (SMA mâle) 2 antennes WiFi (RP-SMA mâle) Adaptateur électrique Manuel |
| Fiche technique |

Si l'une de vos questions reste sans réponse, n'hésitez pas à contacter notre équipe pour qu'elle y réponde.
Oui, il inclut la gestion de la qualité de service (QoS) qui permet de hiérarchiser le trafic en fonction de la source, de la destination, du service, du protocole ou du port.
Le RUT951 peut être géré via HTTP/HTTPS, SNMP, SMS et le système de gestion à distance (RMS) de Teltonika.
Le routeur assure le basculement WAN en basculant automatiquement vers une connexion de secours disponible en cas de défaillance de la connexion principale.
Oui, il est conçu pour fonctionner dans une large gamme de températures allant de -40 °C à 75 °C et bénéficie d'une protection IP30 contre les intrusions.
Il est certifié pour une utilisation avec plusieurs normes réglementaires, y compris CE, FCC, et d'autres, garantissant la conformité avec les exigences internationales.